LED手电筒是以LED(发光二极管)为光源的一种新型手电筒。因为LED具有高亮度、低功耗、寿命长、尺寸小等特点,所以是随身照明的理想选择。
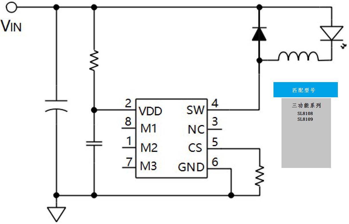
森利威尔SL8108 SL8109 50V降压恒流芯片 支持全亮/半亮/爆闪三功能 LED手电筒驱动芯片

方案特点
宽输入电压范围:5V~80V
可设定电流范围:10mA~2200mA
固定工作频率:165kHz
内置抖频电路,降低对其他设备的EMI干扰
峰值电流模式采样
0-100%占空比控制,无电流节点跳变
输出短路保护
过温保护
三功能模式:全亮/半亮/爆闪
ESOP8封装
原理图

华体(中国)
www.xcjintai.com